线束从业人员2025充值品:2025全套线束与工艺教程

汽车线束是汽车电路各部件联系的载体,有人曾经做过一个形象的比喻,汽车线束是血管,汽车引擎是心脏,心脏因血管而跳动,引擎因线束而运转,可见汽车线束对于汽车整车电路正常稳定的重要性。因此,了解汽车线束的设计和工艺知识,非常有必要。

由于线束行业是一个比较小众的领域,就业机会也很多,各大线束厂、主机厂线束工程师待遇薪资还是很不错,有一定的吸引力!很多朋友想在线束领域有所发展,想学习线束设计及线束工艺知识,但是线束专业性比较强,有一定的门槛,整个互联网上却几乎没有一套完整的线束教程,苦于学无门道。为了满足广大网友的学习需求,同时感谢广大网友对微信公众号<线束专家>大力支持,升级特推出《2025全套线束与工艺教程》供大家学习,容量由60G增加至88G!加量不加价!本教程包括线束设计与工艺相关的标准、整车原理设计资料、线束零部件选型设计、新能源汽车高压线束、动力电池BMS线束、catia布线教程、整车数模等资料。认真学完面试一般的线束工程师、线束工艺工程师、电器工程师、线束设计/线束工艺主管岗位毫无压力!你与线束专家就差一套教程的距离;只要198元/套,加量不加价!两包烟钱?两顿饭钱?还是跟专家学线束吧!一次投资,终身受益!一本万利!心动不如行动!教程订购方式如下:扫尾页微信付款码支付,扫名片码,加小编QQ/微信362205584,加好友说明是要2025全套线束教程!




线束工程师真实收入水平,前程无忧,随机搜索…都是月入过万!



一、本套教程主要包含以下几个方面:
1、《汽车线束行业标准汇编》电子图书(可单独购买价格49.8元/本,购买全套教程免费赠送)。
2、汽车线束设计及工艺开发系列教程。
3、线束设计相关的各分项能力提升资料。
4、Catia线束设计从入门到精通系列视频教程。
5、整车数据(3套3D数模)共参考学习。
6、线束专家公众号2019-2022技术文章合集。
7.线束国标QCT29106-2014视频解读12节~New
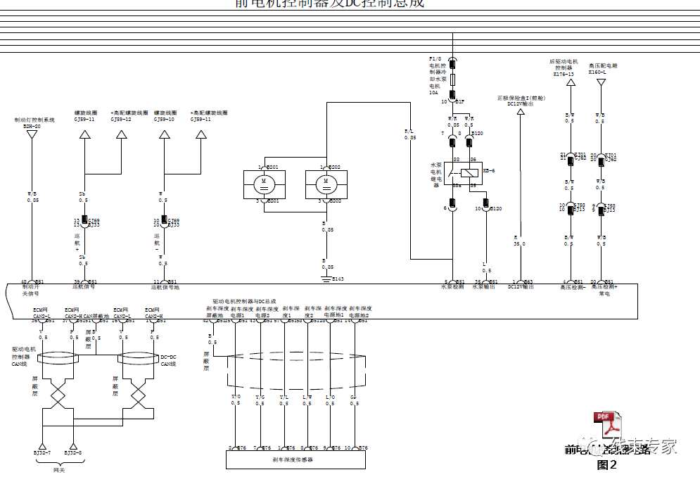
8.新能源车线束原理图&线束图汽车线束~New
9.整车电路设计参考~New
10.动力电池及电池管理系统BMS~New
11.特斯拉电动车线束设计干货资料~New
12.新能源汽车高压线束标准~New
13.汽车线束设计检查表~New
14.2023新增线束技术文章~New
15.线束设计团体标准~New
16.USCAR-系列标准~New
17.线束相关企业标准~New
18.线束3D/2D设计检查清单~New
19.IPC-620D线缆组件验证标准~New
20.通用汽车GM相关线束标准~New
加量不加价哦
二、教程容量大小:88G左右(全新升级-截图为证)

三、本套教程内容(截图)



四、本套教程重点内容(截图,内容实在太多就不一一 详细介绍,只抓重点)
1.下载必读文件夹
该文件夹建议第一个下载,里面包含破解版百度网盘下载插件及本教程的相关使用说明,学习指引!

2.CAD/Catia 绘图软件及教程



3.《线束设计与工艺标准汇编》
本电子图书主要是整理了国内、国外的一些国标、行企标、行标资料(含中英文版本),本电子书是可以单独购买的,价格49.8元/本,相信有很多网友前期已经下手购买过,也获得了一致好评!购买全套线束教程,本电子书相当于是免费赠送的!关于这本电子书可以打开链接《 汽车线束设计与工艺标准汇编》电子“小红书”正式发行 !详细了解。
4.线束加工工艺流程及端子压接专题资料


5.汽车高、低压线束工艺专题资料


6.电气原理图及各分项技能提升资料








7.新能源汽车相关资料

8.汽车线束DVP、FMEA 、DFM相关资料

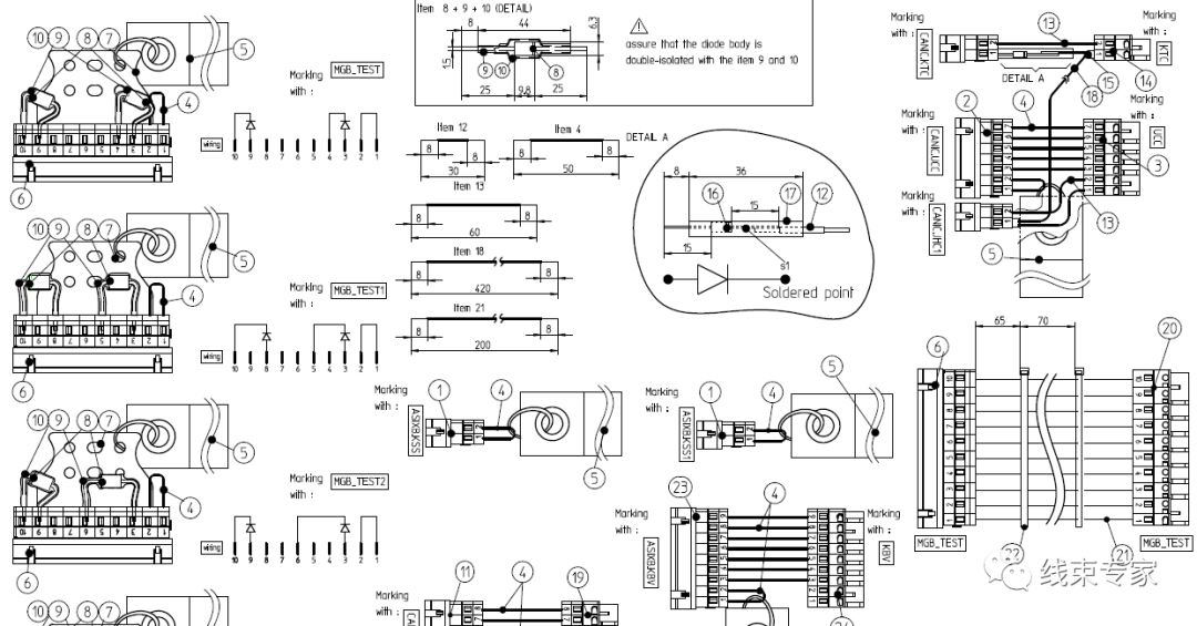
9.车载连接器实验标准与方法

10.电动汽车高低压电器资料

11.线束CAD参考图纸及Catia电气元件库


12.CHS线束设计相关资料

13.IATF -16949质量体系、五大工具相关资料

14.Catia三维布线文档教程


15.Catia三维线束相关参考数模

16.Catia三维布线视频教程

a.60讲

b.18讲

c.

d.

e.

f.QCT29106-2014汽车线束国标详解视频12集

g.新能源车线束原理图&线束图汽车线束CATIA三维模型


不一、一截图,更多内容等你详细发掘……..
17.2019~2022年度线束专家公众号合集电子书,价格19.8元*4本/套,购买全套教程,本电子书免费赠送!

18.整车数据3套,供参考学习
a.某小车

b.某MPV

c.某锤子车

五、教程相关内容部分截图

































































































教程获取方法: